ЧУГУННАЯ ПОЖАРНАЯ ПОДСТАВКА ФЛАНЦЕВАЯ ППФ (ППДФ)
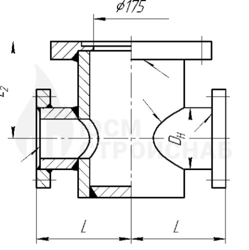
Пожарная подставка фланцевая ППФ (ППДФ) - это фасонное изделие, которое представляет собой проходную пожарную подставку с двумя соосно расположенными отверстиями, выходами. Также она называется подставка ППДФ, поскольку устанавливается в разрыв трубы при помощи двух фланцев.
Пожарная подставка чугунная фланцевая изготавливается согласно ГОСТ 5525-88 из высокопрочного чугуна с шаровидным графитом. Предназначена для монтажа пожарного гидранта на трубопроводе с давлением 1,0 МПа или 1,6 МПа.
Проходные подставки фланцевые ВЧШГ устанавливаются в местах с высокими нагрузками и в условиях изнашивания. Снаружи подставка ППФ имеет черное лаковое покрытие. Если подставка ППФ устанавливается в месте с повышенным воздействием атмосферной коррозии, лучше заказать изделие с наружным цинковым покрытием (это дополнительная опция).
Еще одной дополнительной защитой от коррозии является внутреннее цементно-песчаное покрытие (ЦПП). Это актуально для питьевого водопровода: при контакте с водой ЦПП становится более плотным, обеспечивая стабильные гигиенические и бактерицидные свойства воды. Нужно отметить, что подставки пожарные фланцевые с диаметром выхода от 350 мм до 600 мм изготавливаются (по умолчанию) с внутренним цементно-песчаным покрытием.


1. Добавьте нужный товар в корзину, перейдите в корзину и заполните контактные данные. Далее нажмите кнопку "Отправить заявку". После с вами свяжется наш менеджер и уточнит все детали заказа.
2. Просто свяжитесь с нами любым удобным способом (по телефону, почте, мессенджере) и наш менеджер проконсультирует вас по любым вопросам, поможет выбрать лучший вариант под ваши цели.





